欢迎光临天机传动官网,今天是:

磁粉制动器

  • 首 页
  • 产品中心
  • 磁粉制动器
  • 实力展示
  • 关于我们
  • 技术支持
  • 在线留言
  • 成功案例
  • 联系我们

    产品中心

    • 磁粉制动器
    • 磁粉离合器
    • 磁粉刹车器
    • 电磁离合器
    • 电磁制动器
    • 微型电磁离合器
    • 微型电磁制动器
    • 张力控制器
    • 电磁离合刹车器组合体
    • 金牌对边机伺服纠偏器
    • 气涨轴安全夹头
    • WP蜗轮蜗杆减速机
    • 离合刹车减速机
    • NMRV铝合金蜗轮蜗杆减速机
    • 无极变速机
    • 非标减速机电磁离合制动器组
    • 空压式离合器制动器

    联系我们

      联系人:陈小姐
      手 机:18027055835
      电 话:
      传 真:0769-85704468
      邮 箱:huang@dgtaiji.com.cn
      网 址:www.szlangan.com
      地 址:广东东莞市大朗镇松木山村利昌路13号

    您当前的位置:首页 > 产品中心 > NMRV铝合金蜗轮蜗杆减速机

    上一篇:NMRV减速机直流电机,铝合金减速机直流电机

    下一篇:双级微型RV减速机,单级微型RV减速机,联体小型RV减速机

    • 名称: NMRV减速电机,蜗轮蜗杆减速电机,铝合金减速电机

    • 分类: NMRV铝合金蜗轮蜗杆减速机

    •  
    • 分享到:

      详细介绍:

      东莞台机减速机公司(台湾天机牌)生产销售的NMRV减速电机,蜗轮蜗杆减速电机,铝合金减速电机都是属于减速电机系列,该系列产品规格齐全,转速范围广,通用性好,适应各种安装方式,性能安全可靠寿命长,实施了国际标准要求。机体表面凹凸具有散热作用,吸振强,低温升,低噪音。
      NMRV减速电机,蜗轮蜗杆减速电机,铝合金减速电机使用事项:
    1、NMRV铝合金涡轮涡杆减速机使用环境低于-30℃或者高于60-30℃,必须更换特殊材质的油封;
    2、与NMRV减速机配套的电机必须适合在低温环境中工作,而电机的功率必须要满足在低温起动时的扭矩要求;
    3、在准备投放使用前滑润油的粘度会较高,应当先让机器空载试运转后再加载,避免导致设备故障;
    4、第一关次使用NMRV铝合金涡轮涡杆减速机时,在其运转150-400小时后更换润滑油,以后的换油减速机周期小于或等于4000小时;
    5、定期检查油的份量和质量,保留足够润滑油,及时更换混入杂质或变质的油。NMRV减速机的操作系数是取决于实际操作环境的,当选择合适的服务系数必须考虑在输出端的负载性质、每天运转的时间以及启动的频率等等因素。
    减速电机厂家
      NMRV减速电机,蜗轮蜗杆减速电机,铝合金减速电机特点:蜗轮减速电机使用蜗轮蜗杆可以得到很大的传动比,比交错轴斜齿轮机构紧凑两轮啮合齿面间为线接触,其承载能力大大高於交错轴斜齿轮机构,蜗杆传动相当於螺旋传动,为多齿啮合传动,故传动平稳、噪音很小,具有自锁性。当蜗杆的导程角小於啮合轮齿间的当量摩擦角时,机构具有自锁性,可实现反向自锁,即只能由蜗杆带动蜗轮,而不能由蜗轮带动蜗杆。如在起重机械中使用的自锁蜗杆机构,其反向自锁性可起安全保护作用。传动效率较低,磨损较严重。蜗轮蜗杆啮合传动时,啮合轮齿间的相对滑动速度大,故摩擦损耗大、效率低。另一方面,相对滑动速度大使齿面磨损严重、发热严重,为了散热和减小磨损,常采用价格较为昂贵的减摩性与抗磨性较好的材料及良好的润滑装置,因而成本较高,蜗杆轴向力较大。
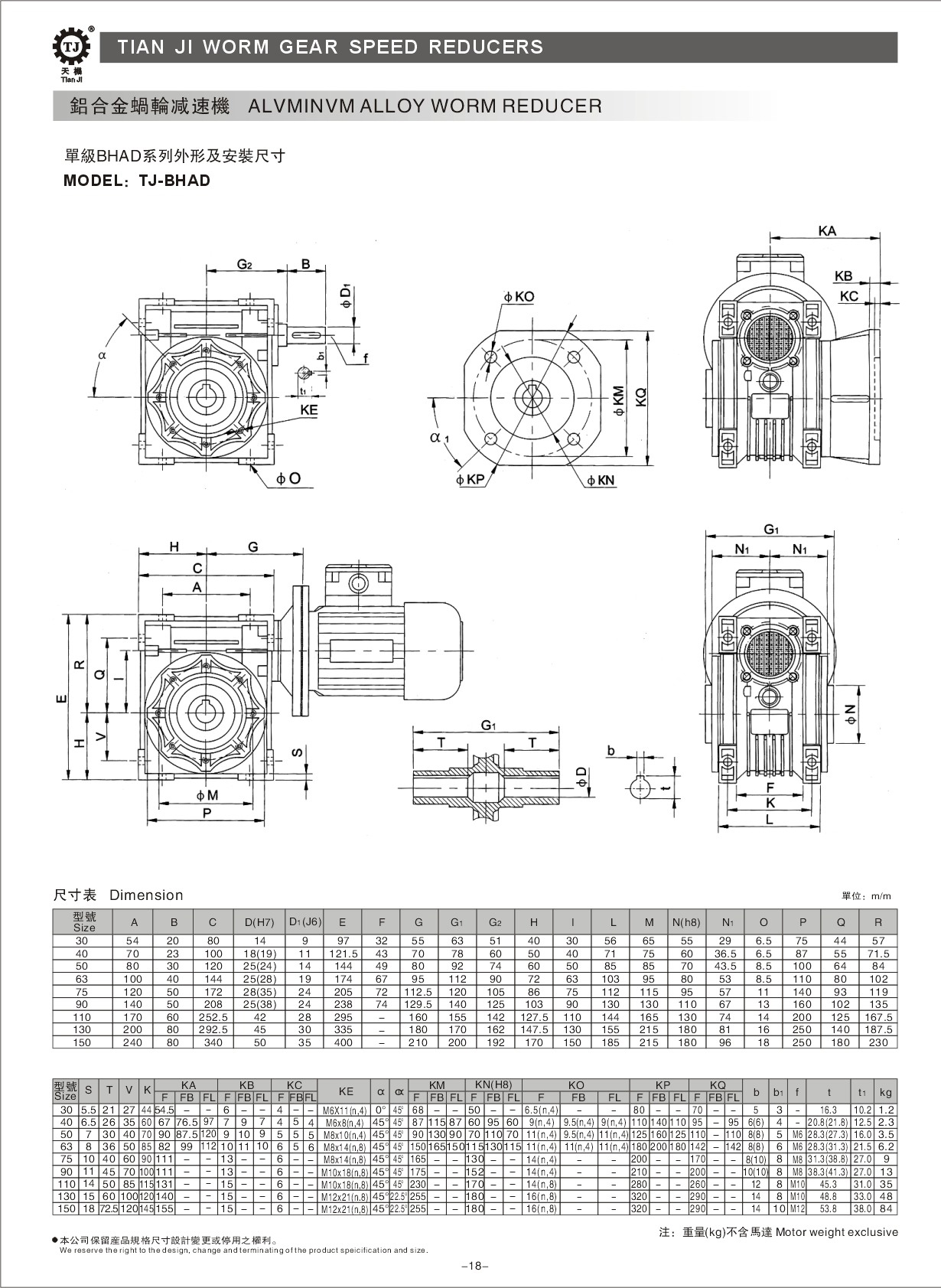
      以下是NMRV减速电机,蜗轮蜗杆减速电机,铝合金减速电机外形尺寸参数
    蜗轮蜗杆减速电机

    上一篇:NMRV减速机直流电机,铝合金减速机直流电机

    下一篇:双级微型RV减速机,单级微型RV减速机,联体小型RV减速机

      其它产品

    NMRV减速电机,蜗轮蜗杆减速电机,铝合金减速电机

    NMRV减速电机,蜗轮蜗杆减速电机,铝合金减速电机
    铝合金nmrv减速机,蜗轮蜗杆nmrv减速机,铝壳nmrv减速机

    铝合金nmrv减速机,蜗轮蜗杆nmrv减速机,铝壳nmrv减速机
    双级微型RV减速机,单级微型RV减速机,联体小型RV减速机

    双级微型RV减速机,单级微型RV减速机,联体小型RV减速机
    伺服蜗轮蜗杆减速电机,步进蜗轮蜗杆减速电机

    伺服蜗轮蜗杆减速电机,步进蜗轮蜗杆减速电机
    RV减速机厂家,铝合金RV减速机价格,铝壳RV减速机

    RV减速机厂家,铝合金RV减速机价格,铝壳RV减速机
    方法兰NMRV减速机,方法兰RV减速机,方法兰铝合金减速机

    方法兰NMRV减速机,方法兰RV减速机,方法兰铝合金减速机
    NMRV减速机直流电机,铝合金减速机直流电机

    NMRV减速机直流电机,铝合金减速机直流电机
    RV减速机圆法兰输入,NMRV减速机方法兰输出,双法兰RV减速机

    RV减速机圆法兰输入,NMRV减速机方法兰输出,双法兰RV减速机
    双级RV减速机,双级NMRV减速机,双段RV减速机

    双级RV减速机,双级NMRV减速机,双段RV减速机

    首 页 产品中心磁粉制动器实力展示关于我们技术支持在线留言成功案例联系我们
    主营产品:磁粉制动器  磁粉刹车器  磁粉离合器  张力控制器  电磁离合器  电磁制动器  电磁刹车器  
    电    话:唐小姐 18028287736    传真:0769-85704468   邮箱:huang@dgtaiji.com.cn
    地    址:广东东莞市大朗镇松木山村利昌路13号
    版权所有:版权所有:东莞市台机减速机有限公司   京ICP证000000号
    • 游小姐
    • 旺旺在线
    • 微信扫一扫,联系我们